简体中文
English
首页
关于我们
公司简介
资质证书
产品展示
机械隔膜计量泵
电磁式计量泵
柱塞式计量泵
液压隔膜泵
气动隔膜泵
计量泵配件
立式多级泵
工业循环水加药装置
计量泵附件
应用领域
新闻资讯
行业动态
技术资讯
联系我们
网站首页
关于我们
产品展示
应用领域
新闻资讯
联系我们
导航
语言
首页
>
产品展示
>
机械隔膜计量泵
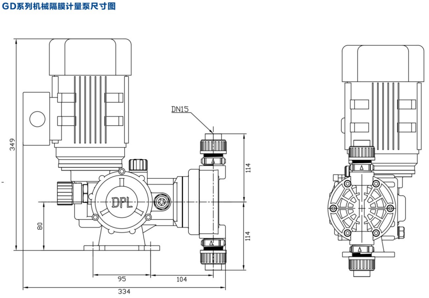
GD系列机械隔膜泵
德普罗
产品描述